NOVÉČerpadlo k pískové filtraci Aqua Plus 8
Filtrační čerpadlo Aqua Plus 8
S naším bazénovým čerpadlem Aqua Plus s kapacitou průtoku 8 m3/h můžete mít jistotu, že vaše bazénová voda bude vždy čistá, průzračná a zdravá pro plavání. S kompaktním designem a vysokou účinností je toto čerpadlo ideální volbou pro bazény do 40 m3. Jednoduchý a intuitivní design čerpadla umožňuje rychlou a snadnou instalaci bez potřeby odborného technika. Připojení je uzpůsobeno na ohebnou hadici o průměru 32/38 mm, nebo 50 mm PVC trubku. Je vybaveno předfiltrem pro hrubší nečistoty, průhledné viko předfiltru Vám umožní snadnou kontrolu zanešení předfiltru.
Díky odolným materiálům a jednoduchým údržbovým postupům je toto čerpadlo ideální volbou pro každého uživatele. Čerpadlo má motor s práškovým nástřikem a je odolný vůči vodě z bazénu a dodávaným chemikáliím. Všechny díly pouzdra jsou vyrobeny z chlóru odolného, vyztuženého plastu a slibují dlouhou životnost.
Čerpadlo je samonasávací. Nesmí být instalováno více než 2 m nad úrovní hladiny vody nebo méně než 3 m pod úrovní hladiny vody.
Technické údaje
| Typ čerpadla | Filtrační čerpadlo včetně předfiltru, samonasávací |
|---|---|
| Průtok | 8 m3/h |
| Jmenovité napětí | 220-240V / 50Hz |
| Jmenovitý proud | 2,70 A |
| Příkon | 600 W |
| Výkon | 400 W |
| Otáčky | 2 840 ot./min. |
| Krytí motoru | IPX5 |
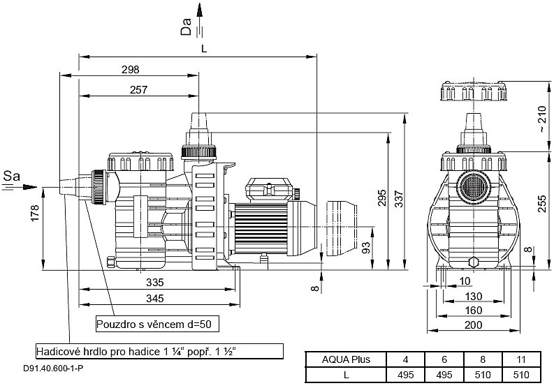
| Připojení | sání i výtlak 32/38 mm hadice nebo 50 mm PVC trubka |
| Max. pracovní tlak | 2,5 bar |
| Předfiltr | Velký sítkový koš o objemu cca 0,5l Velikost ok sacího síta cca 2,8 x 2,8 mm |
| Délka kabelu včetně zástrčky | 1,5 m |
| Provoz ve slané vodě | maximální obsah soli 0,5 % (odpovídá 5 gramům na litr vody) |
| Hmotnost | 7,7 kg |










































































